MENU

スレッドNo.41

電圧増幅管のヒーター誘導ハム?

お久しぶりです、以前旧掲示板でアドバイスいただいたものです。
おかげさまで音出しまで成功しまして、スピーカー出力では満足のいくものを完成させることができました。
ただ、どうしてもオマケでつけたヘッドホン出力に不満が出てしまったので、こちらで相談させていただければと思います。

SPのリスニングポイントではまったく気にならないレベルなのですが、ハム音がしてしまっています。
ヘッドホン出力では顕著で、16Ω程度の高感度ヘッドホンでは音楽を再生していても聞こえてきてしまうぐらいです。
(低能率なヘッドホンでは全く気になりません)

各部電圧が正常で発振もしていないのは確認済みでしたので、最初はアースループやトランスからの誘導、あるいは半田不良などを疑っていました。

しかし、左右チャンネルともほとんど同じ音量のハムというのが不可解で、リプルも疑いましたがそこまで問題になるほどの電源リプルは観測できませんでした。
(ただし、超3極管結合はトランスからみて真空管が極めて小さな負荷に見える特徴があるため、電源変動の影響をモロに受ける弱点がそもそもあるので、可能性としては排除しきれません)

確認している最中、誤って電圧増幅管のヒーター回路がアース的に浮いた状態で電源を入れてしまったところ、ハムの音量が大きくなる事故に遭遇し、もしやと思い電圧増幅管を抜いてテストしてみたところ、ノイズが聞こえないことがわかりました。
(真空管に異常が発生しても保護回路が働き前段を保護するようにつくってあるので、思い切ってテストしました)

超3極管接続の全段差動PPという特殊な回路の設計上、電圧増幅管が交流的にアースから完全に浮いてしまっていて、しかも6n1pがMT管のわりには600mAもの電流を消費する大食らいなことを思い出し、ヒーターからの誘導ハムを疑っています。

こういった場合、直流点火が有効なのは知識としては確認しているのですが、6.5V1.2Aもの大電流を整流するとなると、整流ノイズの主電源への回り込みが心配です。
皆さんはこういったケースではどのような対処をしているか、参考までにお伺いできると嬉しいです。

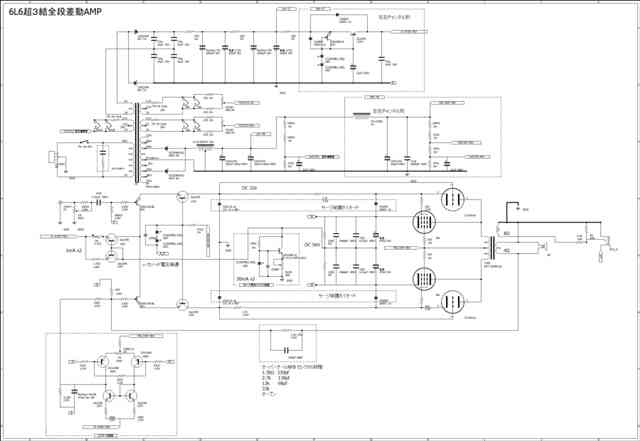
追記:回路図添付を試みたのですが圧縮されてしまい定数など見えない状態になってしまいました。 一応、三極管がアースから浮いているのはかろうじて確認できるため、削除せずこのままといたしました。

引用して返信編集・削除(未編集)

VTさん こんにちわ。 お久しぶりです。

返信に気が付かず、お時間をいただいてしまいました。 申し訳ありません。

16Ω端子では電圧比的に効果が薄くなってしまうのは盲点でした。 言われてみれば納得です。

そうですね、直列抵抗を倍にして並列抵抗の抵抗値を下げるのが一番手っ取り早そうですね。
あるいは、トランスから見た全体の抵抗値は変わらないはずなので、出力端子にアダプターを追加して直列に抵抗を足すのでも良いかもしれません。

電源リプルをコンデンサーでDCカットして差動入力回路の逆相側に流し込むのは盲点の発想でした。
確かにその方法であれば原理的に相殺できますね。。。魅力的に感じてしまいます。

耳に頼らずオシロスコープで改めて観測したのですが、やはり100hzと50hzに無帰還で30dbほどのハムが観測できたので(平均-80db以下のノイズフロアに対して50と100hz帯にのみ-50dbの鋭利なピークがある→アースループであれば部屋中のノイズを拾うので、もっと広範囲がノイズまみれになるはず?)、大抵のヘッドホンではまともに知覚できない50hzはともかく、100hzのノイズだけでもなんとかしたいものです。

引用して返信編集・削除(未編集)

RIさん、こんにちは。

8Ω端子から3Ω直列と5Ω並列で16Ωに出している場合、5Ωと16Ωの合成抵抗は5Ω//16Ω=3.8Ωですから0.56倍になっていると思われます。
これを3Ω+8Ω直列と5Ω並列で16Ωに出すように変更した場合分圧比では0.26倍になりますが、実際には16Ω端子を使うことで1.41倍の電圧が出ますので電圧で見ると0.36倍にしかなりません。
それでしたら、単純に5Ω直列、3Ω並列と入れ替えるだけで0.34倍になりますので、そちらの方が効率的かと思います。
で、3Ωを2Ωと1Ωに分割して1Ωからヘッドフォン出力を取るようにすれば、抵抗数は同じでさらに分圧することも可能です。

原因がB電源のハムであるということであれば、コンデンサでDCカットして分圧して逆相になるように増幅回路に流し込むなんていう手段もあるにはあるのですが、あまりきれいな方法とは言えないので、そんな方法もあるという程度で。

ご参考まで。

引用して返信編集・削除(未編集)

電圧増幅管をミニコンデンサー(c0gセラミック0.1uf)インプットLC(470H100mΩ+33000uf)にしたところ、ほんの少しハムが減少しました。 ただ、期待値以下だったので、B電源のコンデンサーを400ufから800ufの倍量にしたところハムがかなり減少しました。

超3結は思っていたよりも遥かにB電源のリプルに弱いようで、「出力トランスから見たら極端に抵抗の少ない3極管に見えるため、電源変動に脆弱」という巷の評価はなるほど、と思いました。

FETリプルフィルターを追加すればハムは退治できそうですが、せっかくなのでこのままで行きたい……。

となると、現状3Ω直列+5Ω並列→8Ω端子で賄っているヘッドホン出力を、3+8Ω直列+5Ω並列→16Ω端子にして解決するのが速い気がしてきました。
最大出力12Wに対してヘッドホン端子のゲインが高すぎるのが、そもそもの原因なのかもしれません。

引用して返信編集・削除(未編集)

まさみちさま

アドバイスありがとうございます。

出力管・電圧増幅管ともにアノードが直接出力トランスに接続された特殊な回路なので、出力管を抜いただけだとハムは無くなりませんが、真空管を抜き去ると完全にハムは無くなるようです。

また、真空管を刺した状態でも、電源を切った直後に完全にハムが無くなり、奇麗に音楽だけになることも確認できたので、アースループも関係が薄そうだということも確認できました。

やはり主電源のリプルが増幅されているか、あるいは電圧増幅管のカソードがトランジスタのコレクタに接続されている(アースから見て完全に浮いている)影響が大きそうです。

引用して返信編集・削除(未編集)

回路図がよく見えなかったので的外れですみませんでした
私の場合は電源トランスから出力トランスへ直接誘導してハムが出てたということがありました
片chの出力管を外して電源入れてハムが出てたら電磁誘導のハムでしょう
http://www.oct-net.ne.jp/masamic/10EG7amp.html

引用して返信編集・削除(未編集)

まさみちさま

返信ありがとうございます!
はい、ヒーターバイアスは実はすでに入れていて、およそ42Vの嵩上げ電圧をかけています。
確かに効果は絶大で、これを入れないとスピーカーからもヒーターハムが襲ってくるようになってしまいます。
ちなみに、試しにB電源から分圧して100Vのヒーターバイアスも実験的にかけてみましたが、特に何も変化はありませんでした。

今日改めて電源リップルを疑い実測してみましたが、およそ5mvとトランスを通せばいくら超3結とはいえ十二分に軽減できるはずの残留リップルでした。

やはりアースループかヒーターノイズが怪しい印象で、6n1p、6n23pについて少し調べてみたところ、「ヒーターハムを拾いやすい」という意見があったため、やはり一番現状怪しい気がしています。
直流点火のテストがしようがないので、全く関係がない可能性もありますが。

引用して返信編集・削除(未編集)

ハム対策にはヒーター バイアスを数10V程度かければいいようです
具体的な回路図はこれかな
http://www.op316.com/tubes/vinyl/phonoeq-v2-trial.htm

引用して返信編集・削除(未編集)

このスレッドに返信

このスレッドへの返信は締め切られています。

ロケットBBS

Page Top