MENU
460,562

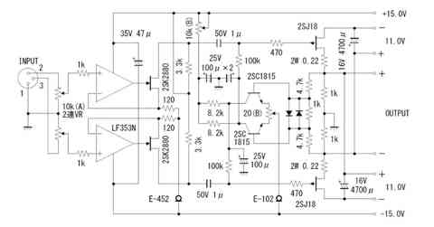
4P1Lシングルアンプ

ARITO's Audio LabのSE-7K2Wでミニアンプを作ってみました。
特性良し、音も良し(自分好み)でデザインも気に入っています。
ニアフィールドで鳴らすので小出力でもOKです。
https://onnyo01.hatenablog.com/entry/2022/09/01/170000

引用して返信編集・削除(未編集)

おんにょさん、いつも大変お世話になります。
このアンプ、是非11月のオフ会で音をお聴かせいただけたら、と思います。
また、このページも、ラボのWEBページからリンクを張らせていただきますね。
よろしくお願いいたします。

引用して返信編集・削除(未編集)

ARITO@宝塚さんこんばんは。
リンク確認しました。
11月のミニオフ会はコロナ感染者数次第ですが、4P1Lシングルアンプと
8B8プッシュプルアンプ(DE-8K7W)が持ち込み可能です。
もしかしたら8B8 CSPPアンプ(詳細未定)が完成しているかもしれません。

引用して返信編集・削除(未編集)

小さな部品の写真

表面実装半導体のような小さな部品の写真を撮るのに苦労します。
型番の印字が中々鮮明に写りません。
特にレーザー刻印だと不鮮明になってしまいます。
接写用レンズを入手すれば上手く撮れるのでしょうか?

引用して返信編集・削除(未編集)

使った事がないので何とも...ですが、デジタル顕微鏡と呼ばれているものではダメでしょうか?

引用して返信編集・削除(未編集)

デジタル顕微鏡で調べると、アマゾンで多数売っていますね。
部品の撮影には良さそうです。
試してみようと思います。
ありがとうございます。

引用して返信編集・削除(編集済: 2022年08月31日 16:45)

 脇から失礼します。マクロレンズは高価ですが、下記のも結構役に立ちます:
https://www.kenko-tokina.co.jp/imaging/eq/eq-digital/close/etc/4961607803622.html

引用して返信編集・削除(未編集)

CPU.BACHさん、おはようございます。
面白いものがあるんですね。 知りませんでした。 貴重な情報ありがとうございます。

引用して返信編集・削除(未編集)

フルサイズカメラを持ってないので想像になってしまいますが、
善本さんのカメラは画素数が多いので、ゴマ粒程度の大きさがあれば
普通に撮ってトリミングで拡大しても鮮明に写るように思います。
ただ、その画像が鮮明でないのはブレているように見えます。

拡大撮影の場合は光量が不足するので低速シャッターになりますが、
まず、三脚の雲台を上下逆さまに取り付けて、カメラを吊るすように固定します。
さらにシャッターはリレーズを使うか、タイマーを使うようにすれば、
低速撮影でもブレないと思います。

引用して返信編集・削除(未編集)

CPU.BACHさん、今日は。
レンズの逆さ取り付けとは凄いですね。
ピントはマニュアル調整できますが、露出は調整できなさそうですね。
開放だと被写界深度をとれるのだろうか?

引用して返信編集・削除(未編集)

菊地さん、今日は。
添付した写真はトリミングした結果です。
トリミング前だと中央に小さくしか写っていません。
トリミング後は横800ドットですからTr自体は400ドット幅でしか写りませんでした。
もっと大きく写らない画質改善は無理そうです。
使ったレンズは18mm-135mmのズームで、ISO=1600、S=1/100,f=1/22で手持ち撮りです。
面倒がらずに三脚を使わないといけないですね。

引用して返信編集・削除(未編集)

>トリミング後は横800ドットですからTr自体は400ドット幅でしか写りませんでした。

でしたら拡大レンズを付けるのが手軽だと思います。
倍率は高くないですが、露出やピントは自動で出来ると思います。
https://page.auctions.yahoo.co.jp/jp/auction/l1047811232

あとトリミングで拡大するとブレも拡大されるので、やはり三脚で撮るのが良いでしょう。

引用して返信編集・削除(未編集)

外部リンクは一つしか許されないようなので別のレスにしました。
https://www.kenko-tokina.co.jp/imaging/eq/eq-digital/close/close_up/

引用して返信編集・削除(未編集)

善本さんの用途だとこっちの方が良い様に思います。 これもピンキリの様です。 この画像の奴は24K円位でそれなりの
値段ですが、かなり安価なものもあるようです。

引用して返信編集・削除(未編集)

対象物が大きく(1000ドット位に)写らないと駄目そうなので、
・単焦点の本格的なMACROレンズ
・デジタル顕微鏡
のどちらかですね。
単焦点レンズを持ってないので、使ってみたい誘惑もあります。
でもデジタル顕微鏡の方が確実そうですよね。
Canonの50mmコンパクトマクロの中古は1万円位みたいなので費用的には同じですね。
もうすこし迷ってみます。

引用して返信編集・削除(未編集)

ライティングでも字の写り具合が変わるのではありませんか?
現物を見るときにも、手に持った角度を変えて判読することもありますので。
また、光量を増せばシャッター速度も有利にできますし。

引用して返信編集・削除(未編集)

アンプ等の物撮りにも使える事も考えて、マクロレンズを入手しました。
オークションで比較的新しい機種で程度も良く、手頃な価格で選び
 PENTAX-D FA f2.8 100mm MACRO レンズ
を7000円で落札。
PENTAX K-5に付けて同じTrを撮影しました。
ズームレンズよりは綺麗に撮れました。

引用して返信編集・削除(編集済: 2022年09月14日 11:04)

折角なので、庭に咲いている小さな花(つゆ草)も撮ってみました。

引用して返信編集・削除(未編集)

晩夏というより初秋の花?

めのさん、忙しいと仰っているのに、ご面倒をお掛けして申し訳ありません。
試しに書き込んでみました。

初秋を代表する本来の秋桜はまだですが、
この外来種のキバナコスモスは早くも満開になっていました。
で、こっちは夕方近くに通り雨が降って、一気に蒸し暑くなりました。
やはりまだまだ夏なんですね。

引用して返信編集・削除(未編集)

返信フォームに自己レスして見ました。

引用して返信編集・削除(未編集)

従来通りみたいですね、まあ、変更出来ないのなら仕方ありません。

引用して返信編集・削除(未編集)

晩夏

8月も終盤となって関東では暑さのピークも過ぎたようで、朝晩などは過ごしやすくなってきました。
私などは百日紅の赤い花を見ると、やっと厳しい夏も終わりだなぁと思えます。

>うろこ雲・・・秋の空とか夕暮れ見ると、若いときは希望にもえていたというのに・・

私も夕焼け空なんかを見ていると懐かしい気持ちになってしまいますね。
BGMには、これなんか・・・



>社会貢献

これぞ、リアル「めの先生」ですね。以前のオフ会の時のように、
めのさんが直接Q&Aをして解説すれば、学生の理解も早まる事でしょう。

ただ、教員の自宅でも教材作り作業は、残業の対象にはならないようなので、
事前に自宅残業代の申し合わせをしておかないと、タダ働きになる恐れがあるかも?


ところで・・・・

私も場合は複数の話題に触れることが多いので、現状の掲示板の表示方法は使い辛いです。
以前のように、、単純に新しい書き込みが上に来る、という設定には出来ないものでしょうか?

引用して返信編集・削除(編集済: 2022年08月26日 11:56)

> 新しい書き込みが上に表示される、という設定には出来ないものでしょうか?

簡単に出来ますが、確かどなたかのリクエストで今の設定にした記憶があります。
新しい書き込みが上に表示される..方が良いと言う声が多ければ変更しますが
ご意見伺わせて下さい

引用して返信編集・削除(未編集)

新しい掲示板は書き込みの度に画面が替わってCMが表示され、複数の書き込みでは面倒なので、
一度の書き込みで複数の話題にレス出来た方が便利だと思ったのです。

それに、例えば技術的なQ&Aの場合は関連付けが必要ですが、
雑談の場合はそれが緩いですし、レスが付かないまま流れてしまう書き込みを防ぐ為にも
(過去ログを確認したら、いくつかありました。)
以前のような表示方法の方が見やすいように思ったのです。

引用して返信編集・削除(編集済: 2022年08月26日 12:27)

菊池さんのご希望は新しい返答がある度にスレッド単位で上下するのではなく、単純にすべての書き込みを順番に上から並べることができないか?、というように理解しました。
確かにそのようにできれば、旧掲示板と同じような感じになりそうですが、できるのでしょうか?

引用して返信編集・削除(未編集)

これで如何でしょうか?

引用して返信編集・削除(未編集)

となると、スレッド内は新しい書き込みは下の方がいいのかな?

引用して返信編集・削除(未編集)

変えてみました

引用して返信編集・削除(未編集)

社会貢献

熊本にTSMCが工場を建てる..件で、九州では結構盛り上がっており、半導体関連の人材育成という文脈で
各県の大学/高専で機運が高まっているようです。 一方で、国の政策なのか教育現場での人的リソースは逼迫
しているようで、教えたくても教員を確保出来ない状態みたいです。 当然ながら、電子回路方面、中でも
アナログ回路系は不人気で、そもそも教えられる人材が居ないのが現状のようです。
学生の方も今どきアナログの設計者を目指す人間は殆ど居ませんし、市場原理的には致し方ないのかもしれません。

が、しかし、デジタル回路と言えども拡大していけばアナログですし、アナログの知識皆無では色々と都合の
悪い所も出てきます。 されどアナログ..って感じでしょうか。

それで、県の担当者が教育関係者と議論を進め、企業の力を借りようという方向で舵を切ろうとしている様で、
めのが務めている職場にもアナログ回路を教えてくれ..と協力依頼が来ました。 で、多分担当は私になり
そうです。 めのは研究所とかではなく現場の設計者..職人みたいなものなので、ちゃんと教えられるかど
うか甚だ疑問はありますが、今年度中にテキストを作成して、先生方とすり合わせしないといけない感じです。

これでまたアンプの完成が何時になるのか見えなくなりました... やれやれ。

引用して返信編集・削除(未編集)

別スレに書きました。・・・アリバイ証明??

引用して返信編集・削除(未編集)

TSMCを手本にしての人材育成なら、
台湾から教師を雇うか、意欲のある学生さんを台湾に留学させるのが効率的だと思います。

引用して返信編集・削除(未編集)

うろこ雲

北海道はもう秋の空

引用して返信編集・削除(未編集)

こういう秋の空とか夕暮れ見ると、若いときは希望にもえていたというのに、昨今は泣けてきて情けない。喝をいれてやらねばです。

引用して返信編集・削除(未編集)

ヒマワリ畑

栽培している無農薬のヒマワリは、種から食用油を作ります。化学薬品を使わず圧搾だけですので安心です。天麩羅油として使うととても美味しく揚がりもたれません。

引用して返信編集・削除(未編集)

この花の実から油を採るのは知っていましたが、
日本では観光用が多くて作物として育てているのは珍しいかも?
もっとも、それは東京近郊の話であって北海道では普通なのかも知れませんが・・

こちらは東京清瀬のひまわり畑で、夏休みが終わったらトラクターで潰してしまうそうです。
もっともコロナ禍以前の事で、それが畑の肥料になるとの事でしたが勿体ない話ですよね。

そして、私は「ひまわり」というと古い洋画を思い出します。


映画の撮影地はウクライナの大平原で、言い伝えでは先の大戦の死者が多くて墓標を立てられないので、
死者のポケットにヒマワリの種を入れて埋葬し、そこから育ったヒマワリを墓標としたそうです。

引用して返信編集・削除(未編集)

ちょっと調べてみました。

>ヒマワリにはヒマワリには観賞用と搾油用といろいろ種類があるようで、観賞用のヒマワリを搾油した場合、油はほとんど出ません

鑑賞用のヒマワリからは油取れないみたいですね。 だと、潰すしかないのかもしれません。

引用して返信編集・削除(未編集)

菊地さん、めのさん、これは搾油用のヒマワリです。
夜景のヒマワリ畑は幻想的です。

引用して返信編集・削除(未編集)

なるほど搾油用のひまわりがあるようで、それでも花は綺麗なんですね。
一方の観賞用も人集めが終わったら、肥料としてまた役に立つという事のようで・・・

引用して返信編集・削除(未編集)

山の日

根性なく、近場の鶴見岳 でも、ロープウェイ使わない鶴見岳は甘くない 暑いのとサボったツケでボロボロでした
でも何とかピストンで下山 足痛い

引用して返信編集・削除(未編集)

山頂はともかく、九州も麓の方はかなり暑さですよね、めのさんは元気ですねぇー。

隣のスレでも書きましたが、こっちは猛暑で昼間は家に居るようにしています。
その家でも半田ごてを握る気にはなれず、もっぱら新作の回路を夢想する日々で、
ノートとペンを握りしめて何度も回路図を書き直したりしています。

そんな事をしているうちに良いアイデアが浮かんだかも??

引用して返信編集・削除(編集済: 2022年08月11日 22:35)

今日は立秋

・・・とは名ばかりの蒸し暑さですが、関東では昨日一昨日と涼しい日が続きました。
しかし今日は午後から暑さがぶり返して、明日以降また暑い日が続きそうです。

そう言えば、そろそろお盆ですね、お盆に因んで蓮の花でも・・・
東京近辺では蓮の花のピークは7月中で、8月になると花が少ないようです。

引用して返信編集・削除(未編集)

暑いですね。 昨日は車外温度計は37℃。 午後、雷鳴とどろく激しい夕立。 その後気温が下がって27℃。
こんな感じでした。 今日も暑そう。 

引用して返信編集・削除(未編集)

カテアブ入院

私事ですが、明日から入院します。
お正月、不整脈の治療で5H半もかけ、カテーテルアブレーションで心臓の中の不整脈回路を焼いていただいたのですが、帰宅後再発、
また受けることになりました。前回は4日入院で済みましたが、今度は長期観察され、徐脈また発生時はペースメーカーいれるとか。
それと認知母には民生委員、ご近所さん、いろいろサポート受ける予定ですが、本人理解不能な訴状が母あて届いて曇天の霹靂です。
田舎の農地の等地交換の仮登記の覚書、故父が原告とやっていて、遺産受け継ぎ母にした関係で訴状。農地なんでそんなことしたら農業委員会から訴えられそう。原告と会ったことも電話したこともない、ただ原告近所の司法書士と電話2回小生が受けただけ。
あんなしょぼい土地、なぜほしいのかなあ。穏やかではいられないし、都合のわるいことは甲証につけていないし、書記官に被告は認知で後見つける金もない。ぼくも重度障害者であす入院と電話しちゃいました。欠席裁判はむかつきます。はたしてその行方は、、、

引用して返信編集・削除(未編集)

農地は大変です。 亡き母が残した土地が有り、そこを欲しいと言う人が居て話し合う事約1年。 先日やっと契約完了しました。
ひでほさんが書かれている通り、農業委員会も絡んで訳わかりません。 なので、実弟知り合いの不動産屋に入って貰って、
それ以降は比較的スムースに行きました。 結果的には処分出来て良かったです。 農地なので、毎年草刈り..等言われても
困ってしまいます。 近ければまだいいのですが... 実家の草刈りも大変なので、除草シートを貼る方向で検討してます。
上手く行けばいいのですが。

引用して返信編集・削除(未編集)

めのさん、情報ありがとうございます。被告が認知だと公判成立しないはずですが、負けても印紙代、切手代で1万円以下、どうでもいい土地なので、農業委員会から訴えられたら原告と司法のせいにしちゃいます。ど田舎にも簡易裁判所あるんですね。書記官はさておき、裁判官はどういう判決?和解しろといってきたら、農業委員会のお墨付きもらわないとNGというつもりです。

引用して返信編集・削除(未編集)

ひでほさん、大変な事になっているようで、お見舞い申し上げます。

ただ、その大変さは私なんかには思い及ばなくて上手く言えないのですが、
安易な励ましなんかでは、何の慰めにもならないと思いますので、
季節の花でも見て一時の気休めにでもなればと思い「ひまわり」です。

昨日、東京の羽村市で撮りました。

引用して返信編集・削除(未編集)

菊池さま
ありがとうございます。
土地はどうでもいいですが、都合のいいことばかり甲証いれられ、小生が被告だったらいっぱい陳述の乙証つけてやります。
被告が認知ですから、裁判官、書記官、判決くだせないとおもいます。どういう展開か楽しまないとです。
只今入院しました。月曜アブレーションです。いやされます。羽村といえばお仕事でいったことがあります。T社がありましたね。切り売りでいまは???

引用して返信編集・削除(未編集)

昨日退院いたしました。
アンギオ系検査うけまくりで、カテが右鼠径部からエコーつかっても入らなかったり、左も難儀したようです。前回の焼き残し、新たな発生部をねこそご焼いてもらい、危惧された洞結節回路の損傷もなく、アブレーション後帰宅して本日簡易心電図あててみましたが、PVCもAFLもなく順調そうです。あとは、提訴されたしょぼい裁判の10倍かえしと、肝臓はとりあえずは、がんも先月なかったし、ゆっくりとOPAMP LCR EQ、6BM8パラレルF、PX25Sあたりが今年のノルマです。

引用して返信編集・削除(未編集)

退院おめでとうございます。 ゆっくり養生されて下さい。 

引用して返信編集・削除(未編集)

めのさま、ありがとうございます。
めのさまも時節柄ご自愛ください。

引用して返信編集・削除(未編集)

無事に退院されたそうで、おめでとうございます。
今はこの暑さですし、まずはのんびりと養生なさって下さい。

今日、私は4回目のワクチン接種をして来ましたが、
会場まで猛暑の中を歩いて行ったので、帰ってきたらぐったりでした。
ワクチンの副作用より白昼の猛暑の中を出掛けた事の方が、体に応えました。
暑い時は、家でのんびりしているのに限りますね。

引用して返信編集・削除(未編集)

菊池さま、ありがとうございます。
退院して、いまのところMY簡易心電図計では一発も期外収縮や心房粗動はでてないようで、いいかんじです。
前回は帰りのバス内で、出始めたのを感じました。
退院してもなにもやる気が起きず。LCRのOPAMP EQの足りない部品の入手とケースを買わないとと思っています。
小生も今週末モデルナの4回目ワクチン、10月以降新しいワクチンが登場するみたいですが、ロキソニン、カロナール
などを準備済、うつ予定でいます。
菊池さまも時節柄ご自愛ください。

引用して返信編集・削除(未編集)
合計1233件 (投稿152, 返信1081)

ロケットBBS

Page Top