MENU
391,503

ご注意!

春日無線のKA-8-54P2をARITO's Audio LabのDE-8K2Wに置き換える際の注意点。
P1とP2の位相がそれぞれ逆になっているので、記号そのままに繋いではいけません。
巻き始めの点・に注目!
この掲示板に書き込んでも仕方ないかもしれませんが…拙記事の下に追記しました。
https://onnyo01.hatenablog.com/entry/2023/01/29/170000

引用して返信編集・削除(未編集)

これに関しては、拙ラボのプッシュプル用がちょっと特殊なのかもしれません。
こうなった理由は、
拙ラボのプッシュプル用OPTは、お手本をタンゴトランスとしていますが、
このお手本が、正相でF特を測定すると高域カットオフ付近にディップができ、
逆相にして測定するとディップが無くなるという性格を持つことに起因しています。
それなら位相を逆にしておいて、通常の測定方法でディップの無い特性になった方が
いいじゃん、ということです。
実は、その後の特性改善で、逆相で測定してもディップは生じなくなったので、
今となっては元に戻しても良いのですけど、そのままにしています。
プッシュプル用は2段、3段構成のいずれも普通ですからね、まぁいいかなと。
 

引用して返信編集・削除(未編集)

おそらく「オーディオ&電子工作自作ヘルプ掲示板」での書き込みに対する補足だと思いますが、
そもそも動作確認の前に初めからNFを掛けてしまうという製作手順が間違えているのです。

「NFを掛けるのは、全ての動作確認が終わってから」と言う製作手順の基本を守れば、
どのようなOPTを使っても何の問題もありません。正常に動いていたアンプにNFを掛けて、
その後の動作が怪しくなれば、正帰還かも?というのは容易に想像出来ますからね。

引用して返信編集・削除(編集済: 2023年02月17日 17:45)

体調不良

暫く休憩します。

引用して返信編集・削除(編集済: 2023年02月17日 17:47)

それはいけませんです。どうぞ、お体お大事になさって下さい。

で・・・、こちとらは最近は古い歌にハマっています。

引用して返信編集・削除(未編集)

ポール牧さま、ご自愛ください。上手いお医者さんにかかってください。

引用して返信編集・削除(未編集)

菊地さま、ひでほさま、お見舞いありがとうございます。

引用して返信編集・削除(未編集)

散策なども思うに任せないと思いますので、開き始めた春の花でも。
2月になって梅の花も一斉に咲いて、近くに寄ると良い香りがしますね。

引用して返信編集・削除(未編集)

かと思ったら、近くの公園では桜の花まで咲き始めました。
と言っても染井吉野ではなく河津桜で、2月20日時点で3分咲き位でした。

咲いていたのはピンクの花ですが、BGMにはこんな歌を・・・



2月21日追記、
快晴の天気だったので翌日撮り直しました。なので2月21日の河津桜です。

引用して返信編集・削除(編集済: 2023年02月21日 14:35)

なるほど、ではわたくしは、純和風でまいりましょう。
youtube でご覧下さい。

引用して返信編集・削除(未編集)

白梅を絵になるように撮るのは意外と難しいのれすぅー。
なので、どうしてもピンクや赤などの花にレンズを向けてしまいますね。

上の方は怨歌と言われていたくらいの歌い方なので、さすがに春の花には向かない気がします。
で、こんなのは如何・・・

引用して返信編集・削除(未編集)

女性は美人がよろしいですなぁ~

引用して返信編集・削除(未編集)

プリメイン・アンプ

小型の卓上型、プリメイン・アンプを希望します。

引用して返信編集・削除(未編集)

>小型の卓上型、プリメイン・アンプを希望します。

昨今の小型再生システムと言えば、音源はノートパソコンかタブレット辺りと思うのですが、
プリアンプはこんなのになるのではないでしょうか。
http://www.op316.com/tubes/lpcd/fet-dac2.htm

私もWifi機器が無駄にならないようにと考えていて、
親類からのお下がりの壊れたノートパソコンを復旧させる事にしました。

画面が小さいので混み入った作業には向きませんが、Wifiアダプターを付けて
Youtubeの音楽再生に使おうと画策しています。
壊れたHDを捨ててSSDに入れ替えたのですが、うまく復旧出来るでしょうか・・・

引用して返信編集・削除(未編集)

>昨今の小型再生システムと言えば、音源はノートパソコンかタブレット辺りと思うのですが、
なるほど、一理ありますねえー、DACは別の弁当箱といたします。
希望としてはアナログ部分のみをまとめたいです、
例えば、Lux-38FDを小型化した様なもの(EQは省く)、小型からと言っても手抜きはご法度、
私の性格からいって、プリアンプのウエイトが大きくなりそうです。

使用真空管は、6DJ8、12BH7A、等TV菅、長所は扱う周波数は高いため、電極間容量が正確な事です、
高速・高負帰還では重要なポイントです、
菊地さんは、トリガーさえ掴んだら怒涛の如く制覇してしまう、と予想致します。

引用して返信編集・削除(編集済: 2023年02月05日 02:06)

12BH7A、ひでほさん曰く「12BH7はリニアリティわるいし高いし、」
んんん、確かに!、ならば「弘法筆を選ばず」 っと大口を叩いておきましょう、
(後で吠えずら描いたらご勘弁)

電気代高騰の折、家内に内緒で腕時計のベルトは三本も買いました、コードバン(馬のお尻の革)がお気に入りです、
Dバックルも二種類買いました、散財祭りでございます、
私、ブランド品、工芸品、には目もくれません、腕時計という機能美が好きです。

引用して返信編集・削除(編集済: 2023年02月05日 15:39)

ポール牧さま
また小生の名前が、、、、なのでコメしたいとぞんじます。武末先生をはじめ、12BH7Aが安かった時代、3段アンプですばらしい打消しあいで、いい成績にアンプたくさんありましたね。小生のいいかげんな定数ではなかなか発揮できなかったのと、特にトランスドライブの初段で12BH7Aの2段でやったときはお粗末で5687や6N6Pにかえた経緯がありました。私事ですが、きょう入院、あす3回目のカテーテルアブレーションをうけます。消灯後、密かにUPしています。はやくPX25着手したいです。PT穴とVR、PL、SW穴だけ開けて放置状態です。それでは失礼します。

引用して返信編集・削除(未編集)

ひでほさま、
>武末先生をはじめ、12BH7Aが安かった時代、・・・・
懐かしいですね、この頃大奮発してHP-334A(歪率計、中古)を購入しました、
発振器も低歪を必要としました、懐かしく思います。
元気になってPX-25アンプ、お待ちしています。

引用して返信編集・削除(未編集)

ポール牧さま
お見舞いコメありがとうございます。
昨日16:30にアンギオルームに入り19:30にアンギオルーム出場
思ったより短時間で終了で一応ありえるPVCの回路は焼いて消してもらえました。
アブレーションといいバカにしていましたが、せんし部分はイレギュラーな左鼠経からと、寝たきり、腰痛と不眠症で苦痛でした。せんしの部分だけ塩酸キシロカインの局部麻酔で太いカテでいろいろ制御できて、循環器の治療もすすんでいます。小生の場合は右心室の左心室側かべが筋肉の束になっているようで12誘導で想定される部分いがいにもおかしいところがあり、3回目に至ったようです。
うまくいくと明日あたり?退院できそうです。
不整脈でめまいや倒れる事しょっちゅうなので、これで不整脈卒業できたら、肝臓病だけに集中できるしありがたいです。
母に後見つけたり、PX25Sや4B20,P250の送信球の実験済回路でのアンプ製作、をはじめにたくさんアンプやりたく、70まで生きたいという野望と、ぴんころでもういいという気持ちとぶつかりあってます。
ポールさまは再発ないようなご様子、よかったです。

引用して返信編集・削除(未編集)

ひでほさま、
PX25-S、このアンプの注意点は、ヨーロッパ菅特有の心地よい響きの沼の虜に嵌まらぬ様に、
深追いは禁物です、制作は1台でよろしいと思います。

さて、私は直線性の悪い12BH7A-S、出力1W程度、ノートPCのベース台程度を考えております、
チョット強引かも知れません?

引用して返信編集・削除(未編集)

12BH7A-S、極低歪を実現。

引用して返信編集・削除(未編集)

12BH7A-S、でワイドレンジを実現、
(高域、第二ポールは1MHz前後、したがって電波の領域、極めて難度が高い)

引用して返信編集・削除(編集済: 2023年02月08日 16:10)

ポール牧さま、さすがです。いい成績のアンプ。NFを29dBも安定にかけておられ、ナイスです。PX25の罠、、、よくわかりませんが、いい音ならいいです。いろんなアンプあっていい。ただ不安定とか雑音たかいとか、でき損じアンプはNGですが。

引用して返信編集・削除(未編集)

ひでほさま、慌てずに落ち着いて、
いくら自称、弘法(汗)であっても、シングルで出力トランスを背負っては、負帰還頼りとは言え無理です、
これは、かって試作したプリアンプ(終段 12BH7A-S カソードフォロア)です、
この回路を応用します。

PX25-S、は良い音(響き)です、が、高忠実度では御座いません、沼に嵌まると・・・
経験は一台で十分と思います。

引用して返信編集・削除(編集済: 2023年02月10日 02:19)

前記プリアンプを応用してプリメイン・アンプといたします、
出力には出力トランスをC/L結合いたします、出力トランスはトロイダルトランスVPT-2080を12KΩ接続、
要するに、カップリングC、出力トランスを、NFBループから外すのです、
http://phase.main.jp/speed/tro/pg/sin/index.html
出力電圧40Vにて約1.3Wの出力が確保出来ます、
注意点はC/L結合(グリッドチョークも同等)の低域位相は+180°となりますが、NFBループ外なので大丈夫です、
出力トランスのステップダウンが大きので、初段は6DJ8を低負荷抵抗とし、ゲインとスタガー比を確保します、
トーンコントロールは選択制NFBで本格的に調整可能と致します、
出力トランスは疑似負荷抵抗入りの測定結果ですから、実際は更にワイドレンジとなります。

引用して返信編集・削除(編集済: 2023年02月10日 17:11)

ポール牧さま
指導ありがとうございます。
1台でたくさんです。
ノルマアンプたくさんあるので、はやくやっつけたいですが、認知母のこと。一応世帯主、認知母と2人くらし、重篤病人なもので、あいかわらずPT穴あけたとこから進捗なしです。トランスかっちまったアンプ、製作予定いっぱいあり、はやくやっつけたいです。失礼します。

引用して返信編集・削除(未編集)

ひでほさん、心中お察しいたします、
>認知母のこと。一応世帯主、認知母と2人くらし、・・・・
冷たい様ですが、施設入所をお勧めいたします、 老々介護、共倒れにならぬよう!

プリメイン・アンプ、 第一章終了、暫く休憩、次回は第ニ章です。

引用して返信編集・削除(編集済: 2023年02月12日 16:32)

ポール牧さま
あいかわらず美しいワイヤリング、美しい。腹わたの汚いアンプは、それだけで失格だと存じます。
とりあえずは母には後見つける予定です。
うとましい話題失礼しました。

引用して返信編集・削除(未編集)

ひでほさま、
>あいかわらず美しいワイヤリング、美しい。
お褒めの言葉、ありがとうございます、
ひでほさんだから打ち明けますが、美しいだけではダメなんです、周波数特性をよ~くご覧ください、
NFBと並列の微分補正、僅か 1.5pFで 1MHz近辺に影響を与えます、したがってワイヤリングが重要となります、
高周波の短波帯を扱う、と思って下さい、平ラグ板に C,R, 類をベタ着けの配線は不可能なのです、ここが高難度です、
別に 1MHzの音を聴くのではないのです、高速の上の乗った環境は可聴帯域に大きく影響を与えます、
何回も試作を行い、三次元的実体配線図を必要とします、・・・・・っと手の内を少しだけ披露します?

引用して返信編集・削除(編集済: 2023年02月14日 18:13)

トランス

中々落札まで行かなかったのですが、漸く。

引用して返信編集・削除(未編集)

ご落札ありがとうございました!

引用して返信編集・削除(未編集)

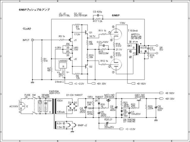
6N6Pプッシュプルアンプ

完成しました。OPTはARITO's Audio LabのDE-8K2Wです。
https://onnyo01.hatenablog.com/entry/2023/01/29/170000

引用して返信編集・削除(未編集)

いつもながら、素晴らしい!の一言です。
このページもラボのwebページからリンクを張らせていただいてもよろしいでしょうか?
次のオフ会で、このアンプの音を聴かせていただくことを楽しみにしております。

引用して返信編集・削除(未編集)

音色はトランジスタ式ミニワッターに真空管の香りをつけたような感じです。
リンクは構いませんのでよろしくお願いします。

引用して返信編集・削除(未編集)

新作アンプの完成、おめでとうございます。
10年以上前から改良を重ねて、満足出来る音になったそうで、
これぞアンプ作りの極意というものですね。

一発で理想のアンプが出来る訳がありませんし、完成したとしても、
さらに色々と弄り回すのが、アンプ作りの楽しみという物です。

引用して返信編集・削除(未編集)

菊地さんありがとうございます。
6N6Pは300Bみたいに音色に色付けがないのが好まれる理由と思います。

引用して返信編集・削除(未編集)

この冬一番の寒波

ニュースでは東京でも氷点下になると連呼していたので、
家の外水道の水を少し流しっぱなしにして氷結対策をしていたのですが、
そのまんま凍り付いて氷柱になってしまいました。

引用して返信編集・削除(未編集)

こうなると、ぬるま湯ではラチが明かないので、ハンマーで叩いて氷を除去したのですが、
蛇口栓のパッキンの弾力が無く水漏れ状態になっていました。
道具箱にちょうどパッキンの手持ちがあったので、寒い中で蛇口の修理をしていました。

テレビでは駅前や公園の噴水等も軒並み凍り付いてしまっていると言っていたので、
我が家だけの出来事ではないようです。皆さんの家は如何でしたか?

引用して返信編集・削除(未編集)

我家の露出している水道管は樹脂製なのと他より少し寒くない場所なので
凍らないだろうと楽観視して何の対策もしませんでした。結果問題無し
でした。

引用して返信編集・削除(未編集)

私の所は、東京でも少し内陸になるので気温が下がったみたいですが、
MFさんの所は背後の丘が北西からの寒風を遮ってくれるし、
海にも近いので凍結しなかったようですね。

距離的には数十キロですが、地形条件で最低気温に差が出たようで、
冬の横須賀は暮らしやすそうで羨ましいです。とにかく寒いのは苦手ですぅー。

引用して返信編集・削除(未編集)

いくら寒くても暖房は必要です、
しかし、電気料金の上昇はたまりませんなあ~、
年金生活の我が家は、春が来るまでひたすら耐え忍びます。

引用して返信編集・削除(未編集)

寒すぎで木造の我が家は温度計で日中も一桁です。現在アンプ製作ルームは6AS7ー18で音楽聴きながらPX25Sシャーシ加工ですが、それでもさむくて不整脈ばんばん、退院するまで製作ウヤにしました

引用して返信編集・削除(未編集)

少し寒くないと言うものの何しろ隙間だらけの古い家なので、この寒波では
朝7時のトイレは1℃、寝室3℃です。
例年作業場所にストーブを置かずに耐えていましたが、今年は暖房しています。

引用して返信編集・削除(未編集)

皆さん、寒い中でも製作に精を出されているようですね。
私もシャーシ塗装が終わったので外装部品を取り付けて見ました。

この寒さで乾燥が遅いのですが、ちょうどPCの設定に手間取っていたので、
(ハードディスクの動作が怪しかったので、飛ぶ前にとSSDに入れ替えました。)
その間に充分な乾燥時間が取れました。

MTソケットのビス穴を間違えたので、サブシャーシに取り付けたのですが、
ソケットが隠れて外観がすっきりし、我ながら格好良く見えます。

う~ん、これは怪我の功名だったかも?

引用して返信編集・削除(編集済: 2023年01月29日 14:43)

なるほど!
>ソケットが隠れて外観がすっきりし、我ながら格好良く見えます。

災い転じて福となす、 怪我の功名、 嘘から出た誠、 終わり良ければ全て良し、
何はともあれ、大変良く出来ました。

背景の白は、如何に処理したのでしょう?

引用して返信編集・削除(編集済: 2023年01月29日 15:57)

>背景の白は、如何に処理したのでしょう?

下と後ろに白紙(カレンダーの裏)を敷いて、背景で灰色になった部分は
Paint shopという画像ソフトで白に塗り潰しました。
https://ja.wikipedia.org/wiki/Corel_Paint_Shop_Pro

今ならフリーソフトでもこの程度の処理は出来るようですが、
30年くらい昔から使い慣れているので、当時の古いバージョンのを使い続けています。

引用して返信編集・削除(編集済: 2023年01月29日 18:31)

>Paint shopという画像ソフトで白に塗り潰しました。
了解いたしました、
余計なコメントですが、右へ(時計回り)1°程回転すると、締まって見えると思います。

引用して返信編集・削除(未編集)

そうすると確かにシャーシは水平になりますが、OPTの傾きが大きくなってしまいます。
なので上の絵ではOPT左側の輪郭線が垂直になるように傾きを決めました。

もっと離れて望遠気味に撮れば、ゆがみも目立たなくなるのですが、
これは暫定版で、完成した時には点火状態として、もっと丁寧に撮り直す所存です。

引用して返信編集・削除(未編集)

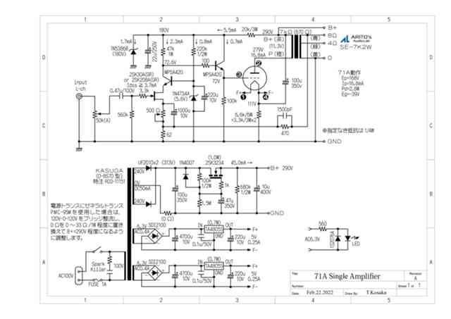
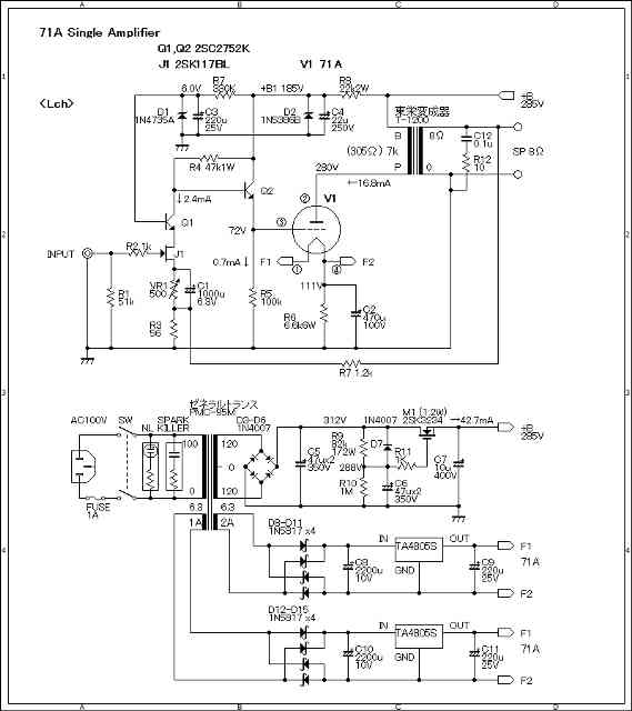
71A Single MiniWatter

71Aを使ったアンプができました。古ければ良いと言う訳ではありませんが、この真空管は特別です。腰の据わったナチュラルでツヤのある音は大変魅力的です。0.7Wしか出ませんがデスクトップで使う分には十分です。
もう少し聞き込んで、安定動作を確認したらARITO's Audio Labに送って詳細な特性を測定しレポートする予定です。ここまで来るのに1年以上もかかってしまいました。
最大出力 約0.7W
周波数特性(0.125W/-3dB) 10Hz~135kHz
残留ノイズ Lch0.08mV / Rch0.06mV

引用して返信編集・削除(未編集)

お恥ずかしながらはらわたです。

引用して返信編集・削除(未編集)

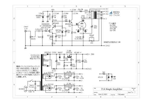
回路図

引用して返信編集・削除(編集済: 2023年01月24日 14:27)

10kHz(2Vpp)の矩形波も問題ありませんでした。

引用して返信編集・削除(未編集)

完成おめでとうございます。
現在、新しい仕事場への引越しの最中で、送り先はそちらの方になると思います。
また、タイミングによっては評価にしばらくお時間いただかなければならない可能性が
ありますので、ご了承願います。
週末ごとに少しづつ引越しをしております。(写真は先週末時点)

引用して返信編集・削除(未編集)

ARITOラボ、できてきましたね。これくらいのベンチ、工作台は必要ですね。うちも整理して、断捨離しないといけません。

引用して返信編集・削除(未編集)

押し入れスペースを利用した測定ベンチはほぼ完成しました。
これからは、材料、部品類、工具類などを運び入れてゆきます。

引用して返信編集・削除(未編集)

完成おめでとうございます。
71Aシングルアンプはニアフィールドで聴くには良いアンプだと思います。
音色は実際に製作して聴いていただかないと経験できません。

引用して返信編集・削除(未編集)

真空管

ひでほさんが大量にストックされている、5687。
この5687がオーディオで重宝されるのは、確か1971年、無線と実験誌上で紹介されてからでしょう、
金●氏がコンピューター用途をプリアンプに、次にYL社の社長もプリアンプに採用、
直線性の良さ、MT菅にしては容量の大きさで、アマチュアの自作派の間で脚光を浴び、名残が現在も残っております。

引用して返信編集・削除(編集済: 2023年01月22日 21:27)

ポール牧さま
ひでほと載っていたのでレスしたいとぞんじます。いつのまにか、7119、6FQ7あたりは高くなり、12BH7はリニアリティわるいし高いし、5687もけっこう高騰していますね。5687在庫といっても10本くらいです。6N6安くていいなあと2回つかったことがあります。ECC99って高くて買えません。体調わるくPX25S進捗なしでPT穴開けたくらいです。

引用して返信編集・削除(未編集)

IBM 704には1台で約5000本の真空管が使われ、それらは5965,5687,6211,12AY7等だったそうです。
私も流石にIBM 704は使ったことがありませんが、トランジスタ化されたIBM 7040は学生時代に使いました。

引用して返信編集・削除(未編集)

コンピューター用途、GE社選別品、6211、ファイブスターです、
ゲッターは各ユニット毎のサイドゲッターです、見た目は丁重な造りであります、
音質は極めて特徴的であります。

引用して返信編集・削除(未編集)

善本さま
6463と6414でIBMと印刷された真空管を見たことがあります。
真空管のコンピュター回路って、HかL、、だけで使ってるのですよね。
考えただけで、くらくらします。

引用して返信編集・削除(未編集)

>6211

この球は使い易くて良い球ですね。
12AU7を使っていて、もう少し利得が欲しいという時にはちょうど良いのです。
http://www.asahi-net.or.jp/~CN3H-KKC/claft/25e5pp.htm

>5687

この小さなバルブに6BQ5と同じヒーター電力を食わせているので、
何か無理をしているように思えて、私はネガティブイメージです。
・・・ひでほさんには申し訳ないのですが、これだけのヒーター電流を流すなら、
何でこんな小さなバルブにしたのか、大いに疑問ですね。

引用して返信編集・削除(未編集)

>考えただけで、くらくらします。

ひでほさん、そうなんです、スイッチですね。

>6211

菊地さん、妙なる音質でしょ。

引用して返信編集・削除(編集済: 2023年01月23日 17:02)

6211や12AY7は、12AX7/12AU7とピン接続は同じです、
したがって難しい事を言わなければ、なんとか音は出ます。

引用して返信編集・削除(未編集)

これはフェンダーのツインリバーブと言って有名なギターアンプです、(友人所有)
出力菅は6L6GC×4、パラレルPPで出力は80W以上、
キャビネットの中に38cm×2のスピーカーとアンプが同居しております、
元来は家庭で使う代物ではございません。

引用して返信編集・削除(未編集)

このギターアンプは電圧増幅は12AX7を使用しており、NFBはかかっておりません、
このアンプに、6211や12AY7に差し替えると大変な事が起こります、
真空管はアコースティックなマイクロフォンと化し、大音量のハウリングを起こしてしまいます、
爆音は通りの向こうのお地蔵さんを超えて鳴り響きます、
使用用途が間違っているのです。

引用して返信編集・削除(編集済: 2023年01月23日 17:52)

コンピューター用途の真空管はマイクロフォニックノイズに弱い傾向にあります、
そして、増幅として使用した場合音像は響きを加味した膨らみ加減、となります、
その注意書きの文献が何処かにある筈です。
これは欠点ではなく本来と異なる使用方法ですから致し方ありません、
恐らく固定マイカと電極の結合が原因である、と思われます、
軸(電極)と穴(固定マイカ板)の関係は、はめあいで定義されております、
機械構造では、大きく分けて、隙間バメ、締まりバメ、となり、はめあいはそれだけで一冊の文献となっております、
コンピューター用途は熱膨張等を嫌った設計と思われます、
邪道ですが、この性質を逆手に取った例があります・・・・・・

引用して返信編集・削除(未編集)

例えばオルソンアンプ、比較的特徴の少ないアンプであります、
このアンプの初段に6211を採用いたしますと、美音の三極菅シングルに変身いたします、
出力菅での追及は極めて高価となりますが、低コストで実現可能となります、
ただし、アンプをスピーカーの上部に設置とかは、注意を要します、
まっ、邪道ではありますがね。

引用して返信編集・削除(未編集)

黒毛和牛上塩タン焼680円

大塚愛、、、 んんん、古いか? ひでほさんならご存じかも?

引用して返信編集・削除(編集済: 2023年01月16日 20:02)

女子ギター(可愛ゆいです) フェンダー・ジャズマスター

引用して返信編集・削除(未編集)

焼肉も良いけど今日は寿司でお祝いしたい気分です。

昨日までADSLだったのですが、本日「光回線」に変更しました。
設定も頼んであったのですが、工事業者では繋がらず時間切れで、
プロバイダーからの資料が違うみたいだ、と言って業者は帰ってしまいました。

3時間くらいやっていたので、日を改めてという事で帰したのですが、
それではこっちが困るので続けて自分で弄っていたら何かと繋がりました。

ただ無線は外してLAN接続なのですが、2mのLANケーブルしか
手持ちがないので不便この上ない・・・これから無線の設定です。
でもお腹が空いたし、暗くなると晩酌したい気分・・・
呑んだら今日は設定なんて出来そうにないですね。

引用して返信編集・削除(未編集)

>昨日までADSLだったのですが、本日「光回線」に変更しました。

なんと、都会では未だADSLが生き残っているのですか? という事はTVのアンテナも・・・
当方の過疎地では、TV放送が先に消滅、光ケーブルTVとWi-Fiが一体となっているのが一般化されております、
TVチューナーとルーターも一緒に供給されますから、敷地内どこでもOKです、
そう考えると、都心って不便ですねえ~、
本日は、amazon Prime Video で下らん映画を見てしまいました、なにか大きな損をした感覚です。

さて、黒毛和牛上塩タン焼680円(昔の相場) VS 江戸前握り寿司、いずれを選んでも悔いはない、
当地の居酒屋(水槽に生きた鰻が)のうな重も捨てがたい・・・・・
夜も更けたので、焼酎とかっぱえびせんで晩酌、そしてよい夢をみましょう。

引用して返信編集・削除(未編集)

スピード的にも不満はなかったし接続料も光より安いし、さらに切替工事では
大概はトラブルがあるから、回線の変更はやりたくなかったのですが、
もうサービスを止めるというので仕方なくの変更でした。

一方のテレビは、ここら辺は住宅地域なので、ほとんどの家がアンテナを立てていますね。
もっと都心のマンションやビルが林立する地域ではケーブルテレビのようですが、
小規模なマンションでは屋上に共同アンテナを立てて各戸へ配信しているようです。

何といっても東京の放送塔は日本一のスカイツリーで、
高さが634mありますから、電波もかなり届くようです。
なので東京ではケーブルを引いている家の方が少数派だと思いますね。

引用して返信編集・削除(未編集)

なお、Wi-Fiも使えるようになりましたが、LAN接続より遅くなるので、
長いLANケーブルを買ってきて直接繋ぐようにしようと思います。

そうなると現状のデスクトップパソコン一台ではWi-Fi機器が無駄になりそう。
かと言って、老眼にはノートやタブレットの画面は見えないので、使う事もなさそうだし・・
無駄使いしてしまったかも?

引用して返信編集・削除(未編集)

今現在、単身のアパート住まいなのでモバイルルーターに楽天モバイルのSIMを入れて
Wifi経由で、テレビだのパソコン、スマホ等々つないでます。 楽天モバイルはつながら
ない等で評判宜しくないですが、比較的基地局が近いのと、部屋が6階のせいか実用に
なってます。

引用して返信編集・削除(未編集)

ポール牧さま
残念ながら、大塚あいさん、名前知ってるくらいでアルバムもなにももっていません。このところ音楽あまり聴いていないし、ストレスで狂いそうです。不整脈、いくらやいても再発で、また近々アブレーションで入院っす。

引用して返信編集・削除(未編集)

こちらは光一本で全てお任せです、TVもスマホも・・・
たまに入院する場合は、レッツノートとルーターを持参、
個室(高価)にはLAN装備ですが、貧乏なので大部屋(四人)です、
したがってパソコンルームよりルーターを接続します、部屋によっては電波が届かない場合もあります、
その場合は、スマホでテザリングで接続します、レッツノート(勿論中古)は小型軽量で重宝します。

ひでほさん、
>ストレスで狂いそうです。
心中お察しいたします、としか言葉がありません。
「浜辺の歌」がストレス解消になれば・・・(坂田明は好みです)

引用して返信編集・削除(編集済: 2023年01月19日 19:11)

ポール牧さま。
お察し感謝します。私事ですが、2月5日入院、6日カテアブ、しつこいPVCで3回目のアブレーション入院決定しました。そのとき、母にショートステイにはいってほしいと頼んだら、また暴れてたいへんでしたが、たまたま昔の医龍ドラマのVol3をみせて、それより難しいんだよ、、、そしていままでの小生の病気のこと、輸血のこと、真摯に向き合ったら、入所を快諾してくれました。あすは?ですけど。非代償性肝硬変で、再弁置換で生かされていることは母を看なさいということ、大げさですが、納得させて、超楽になりました。大きなOPだけで、だてに20回以上うけていません。ただOP受けすぎたせい?一気にアホに。特に人工心肺はいけません。ポンプヘッド?医療のことかたらせると、おわりません。うとましいレスポンス失礼しました。感謝します。

引用して返信編集・削除(未編集)

>ひでほさん、

母上様の事はまずは一歩前進ですね。あとは手術が成功する事を祈っています。
病気の事は分からないので、こんな事しか言えませんが、どうか、どうか頑張って下さい。

>女子ギター(可愛ゆいです)

可愛い女の子が大きなアコースティックギターを抱えていると、それだけで絵になりますね。

引用して返信編集・削除(未編集)

>女子ギター(可愛ゆくはないかも)

あんまりチャラチャラしているのは好みではないなら、硬派な感じは如何でしょう。
私の学生時代はまさに学生運動のただ中で、キャンパスでは常にアジ演説のマイクが鳴り響いていました。
そんな時代なんか知らない女子が歌っているのですが、意外と様になるのです。

引用して返信編集・削除(未編集)

ストリートミュージシャンでこんなのに出会えたら鳥肌モノです。

引用して返信編集・削除(未編集)

菊地さま、
応援ありがとうございます。カテアブで心房細動だったら、その施設で94%、だいたいカテアブ得意としてるとこで9割うまくいっているようです。小生はAFL(心房粗動)が2回目でやっとけせて、普通のひとにも少なからずはでるPVC(期外収縮)が、目眩とショックするくらい強烈にしばしば発生、アブレーションでやいてやるとでなくなり退院まで病棟で1回も出ないのに、ちがうPVCが、ばんばんではじめ、困った患者です。カテーテルアブレーション、30年前はすごい手術で、開胸OPにしろ、バチスタOPにしても、心外科では日常的になってて医学の進歩をかんじます。日常的といっても心臓に力をいれてる施設だけですが。

中島みゆきさんのアルバムはぜんぶもっていますが、へんなやつにカバーされたくないですが、この世情はいいかんじ。金八先生のドラマとかでも、演技うまいけど、あの挿入歌にぜんぶ持っていかれた感じです。

引用して返信編集・削除(未編集)

舶来女子ギター
みなさま、品がよろしゅうございます、舶来べっぴんカバーなんか如何でしょう?
リッケンバッカー、& グリッチ、さすが~

引用して返信編集・削除(未編集)

ポール牧さま
守備範囲が広くてナイスです。小生がたまに入院の文京区小池百合子病院は、一般差額なしのとこもLANジャックでています。24H200円課金(TVカード)です。外来はWifiきてるので、ひろえるかも。そしていばらきーの病院はたいていwifiきています。2月入院のとこもきてるので、レッツ持参です。J医院は、いま?ですが、冷凍庫があるのが強力。ただワゴンサービスで売りにこないので、動けて院内コンビニ行けないと残念

引用して返信編集・削除(未編集)

端子

私はピンヘッダを2ピンずつカットしたものを使っています。
ただ、配線を直接ハンダ付けしちゃいます。
めのさんのはXHコネクタですか?
https://akizukidenshi.com/catalog/g/gC-12247/
私の場合は、ユニバーサル基板を使う機会が殆どないので、
圧着工具を揃えるのはどうかなあと思っています。

引用して返信編集・削除(未編集)

はい、その通りです。以前はピンヘッダー使ってましたが、仕事で手作りの試作基板を作る事があって
その際に、HXコネクタを使う事があって、悪くないと思って居ます。
ただ、圧着工具が結構な値段するのでどうしたものか...で暫く、ラジペンで凌いでましたが、あまりの
不便さに根をあげて、結局工具買いました。 なので、これからはXHコネクタの予定です。

引用して返信編集・削除(未編集)

XHコネクタの間違いです

引用して返信編集・削除(未編集)

どうもありがとうございます。
コネクタって沢山種類があるので、どれを選んでいいのかわからないし、
名称もよくわからないものが多いです。
今回は回路変更がなく、組み上げてそのままで取り外しができなくても
良いので、ピンヘッダの端子に直接ハンダ付けしてしまいます。

引用して返信編集・削除(未編集)

私はジャンパー線を端子にしています。
リード線をチョン付けになりますが、ずっと昔からこれですね。
XHコネクタは仕事では使いますが、蛇の目基板ではコネクタピンまで
配線を持ってくるだけで結構な基板面積が必要となりますので。
その場でジャンパー線を端子にする方が基板が小さくて済みます。

引用して返信編集・削除(未編集)

以前は分割ロングピンソケット使ったこともありましたが、振動で
抜けてしまうのでカプトンテープを貼る必要があり、面倒になって
結局直接ハンダ付けです。端子にコテを当てれば引き抜けるので、
基板を外すことが可能です。
基板の穴に配線を差し込んで、裏でハンダ付けするのが簡単ですが、
基板に何かしようと思ったら配線の行き先を外す必要がありますね。

引用して返信編集・削除(編集済: 2023年01月16日 22:47)

以前はピンヘッダーを立てて、そこに半田付けだったのですが、自分のアンプはそこの配線数が多く
間違わないように神経使うのでコネクターがいいなと思って試行錯誤です。 ↓のターミナルブロック
も使ってみましたが、これ線が外れやすくNGです。

引用して返信編集・削除(未編集)

昔はハトメラグを基盤の穴に差し込んで、裏からポンチでラグ穴を広げて物理的に抜けない様にして使っていましたが、今は製造中止になってしまいました。
https://www.marutsu.co.jp/pc/i/46569/

秋月にチェック端子なら売っていますが、私もARITOさんの様にジャンパー線で十分だと思います。

引用して返信編集・削除(未編集)

以前取り付けたターミナルブロックを取り換えるのも大変なので、ちゃんぽん状態です。
↓の写真は定電流回路のトランジスタ部の配線ですが、高さの関係とかで放熱器+トランジスタ
で基板に取り付けられないので、トランジスタは放熱の為アルミのサブシャーシに、配線は
ピンヘッダー+ピンソケットで基板へ..としてます。

引用して返信編集・削除(未編集)

基板側

引用して返信編集・削除(未編集)
合計1231件 (投稿150, 返信1081)

ロケットBBS

Page Top