拙アンプはタマを差し替えることができます。
8B8と音色の違いがわかりません。
でもこちらはお線香を拝めます。
No.309おんにょ2022年10月22日 17:15 この球は8B8と違ってセンターシールドが無いので全段差動には好都合な球ですが、
CSPPでも良さそうで、8B8より綺麗な方形波応答波形が観測出来るかも?
No.312菊地2022年10月23日 11:52 はじめまして。 n'Guin と申します。
おんにょさん、菊池さん、ありとさんのホームページをながめつつ、この掲示板も ROM しておりました。
8R-LP1 は三極部が low μなので、6BM8系より使いやすいのではないかと思っています。
まだ、CSPP アンプを作ったことがないので、8R-LP1 でいけるかどうか、不安に思っていました。
おんにょさんが安定して動作することを確認してくださったので、いずれチャレンジしたいと思いました。
ありがとうございました。
No.314n'Guin2022年10月23日 14:11 菊地さん
8R-LP1にも3極部ユニットと5極部ユニットを隔てるシールドがあり、5極部の
カソードに接続されていますので、8B8と構造は同じだと思います。
n'Guinさん
8R-LP1 CSPPアンプの特性を測定しましたので、参考になれば幸いです。
https://onnyo01.hatenablog.com/entry/2022/10/23/170000
No.317おんにょ2022年10月23日 18:33 そうでしたか、特性表の接続図にはシールドが書かれていなかったので、
現物を確認せずに信じてしまいました。
n'Guin さん、初めての挑戦でしたら以下の回路なんかも、
回路は簡単ですがCSPPの音が楽しめます。
http://www.asahi-net.or.jp/~CN3H-KKC/claft/6aq5cspp1.htm
No.318菊地2022年10月24日 00:35 返信ありがとうございます。
おんにょさん
詳細な記事をありがとうございます。 この記事を参考に、作成する準備をしたいと存じます。
菊池さん
6AQ5の記事は、以前から読ませていただいておりました。
私は最近になって、自作オーディオを再開したのですが、6AQ5 はきっかけになった真空管です。
6AQ5PP を全段差動に直しました。
http://schumann.jp/?tag=6aq5-diff-pp
8R-LP1の全段差動を作るはずだったのですが、最近は半導体アンプの作成ばかりしております。
今後もお世話になります。 どうかよろしくお願いします。
No.320n'Guin2022年10月24日 11:16 こちらも動き出してデーターも採り終わり、良い音を奏でています。
なお、お線香なら6GV8もばっちり灯るんですぅー!
OPTケースは未塗装ですが、案外と違和感が無いような気がします。
デザイン的にはアリな気がするのですが、「手抜きダー!」って言われてしまうかな?
n'Guinさん
私も次作はオールゲルマニュ-ムトランジスターのシングルアンプを予定しています。
これは、ただ物珍しさ狙いなので、果たして実用になるかは疑問符ですがね。
今となってはMさんAさんYさんとかの半導体に精通しているプロの方でも
アンプが作れるほどのゲルマニュ-ムトランジスターは持ってないでしょうからね。
No.321菊地2022年10月25日 19:01 世界的な物価上昇、追い打ちをかける円安、輸入品高騰です。
トロイダル・トランス、25W級、二千円少々だったのですが、三千円を上回る価格に高騰、
国内在庫数も大幅に減少です。
海外に進出した製造メーカーは、日本に帰り地道にもの造りに励みましょう。
No.307ポール牧2022年10月22日 17:08 菊地さんへ、
下記の、【ECL805csppの改造記】、が満杯となりました、
したがって、こちらに表記しておきます。
>ブートストラップを掛けない方が、カソード負帰還がかかりますので、音質は明らかに向上しますねえ、
>注意点は、その部分のみ結果であり、アンプ全体を考えますと、「木を見て森を見ず」の傾向か・・・?(失礼)
>詳細の解説を考慮中であります>
ブートストラップを掛けない代わりのに、オープンゲインを増して、その分負帰還量をを多くします、
問題の出力トランスは、ポールP2H以上の高い周蓮に設定。
http://phase.main.jp/speed/his0/pg/hisz/index.html
参照して下さい。
No.313ポール牧2022年10月23日 13:42 好みの問題かもしれませんが、五極出力管の場合は、同じ帰還量だったら
オーバーオール帰還よりもKNFの方が特性的にも音的にも良いように思います。
今までレポートしたように私のセットでは利得を欲張りすぎて苦労してしまいましたし、
さらに局部帰還なら位相余裕とか難しい事は考えなくても済みますから、
今回はKNFを減らしてオーバーオールNFを増やすという選択種はないですね。
もう寝るとしましょう。ではお休みなさい。
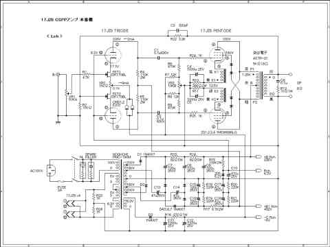
No.319菊地2022年10月24日 01:53 出来立てホヤホヤの8B8 CSPPアンプを聴いてみましたがやっぱりイイですね。
理論云々よりも作った者勝ちという気がします。
No.304おんにょ2022年10月21日 22:56 完成おめでとうございます。
ブログに載っている周波数特性と位相特性が抜群に綺麗ですね。
No.305善本2022年10月22日 10:46 おんにょさんの方は完成されましたか!
先を越されてしまいましたが、まずはおめでとうございます。
特性も良さそうですが、CSPP方式はやはり音が良いですよね。
私の方は、まだ僅かに寄生発振が見られますが、これ以上は切りがないので、
あとはボリューム周りのシールドをして終わりにしようと思います。
まごまごしていると、OPTケースが未塗装のまま皆さんに披露するという
醜態をさらす事になりそうなので・・・
No.306菊地2022年10月22日 13:50 どうもありがとうございます。NFBを決め打ちで試聴中です。
https://onnyo01.hatenablog.com/entry/2022/10/22/170000
数日このまま試聴して問題がないようなら、養生テープを剥がしサイドパネル
を取り付けて完成です。
No.308おんにょ2022年10月22日 17:10 そうですよね〜 CSPPはやっぱり良いですよね。
こればかりは作った人しか分かりません。
No.310ARITO@宝塚2022年10月23日 02:08 完成おめでとうございます!
そうですね、やはりCSPPはイイですよね~
昨年製作した16A8CSPPから1年ほど
CSPPアンプを製作していないので
そろそろCSPPアンプを作りたいです。
No.315内田@群馬2022年10月23日 16:44
養生テープを剥がしてサイドパネルを取り付けました。
疲れた体に、このアンプの音色は心に滲みる。
No.316おんにょ2022年10月23日 18:32 北海道に紅葉の足音が聞こえてきました
No.284klmnji2022年10月14日 16:29
一雨ごとに深まる秋
No.297klmnji2022年10月18日 20:03
いよいよ紅葉の季節ですね~
No.298めの2022年10月19日 10:15
土瓶蒸しなんかいいですねえ~、
No.299ポール牧2022年10月19日 20:45 元のセットは以下のページの回路でしたが、
http://www.asahi-net.or.jp/~CN3H-KKC/claft/ecl805cspp.htm
「五極管ドライブではブートストラップを掛けない方が音が良い」というのを、
前回に組んだ6BQ5QⅡドライブアンプで体験したので、
本機でもブートストラップを止めて、ついでに寄生発振対策をしようと思ったのです。
既に書き込んだように複合管前後の組み合わせを交差させてみたのですが、
結論から言うと、おんにょさんご指摘のように大した違いはありませんでした。
それで従来の積分補正に加えて微分補正も掛けて、最終的に以下の回路のようになりました。
No.277菊地2022年10月13日 19:54 高域の様子は、方形波応答で見ると補正の効果で発振には至らないようです。
No.278菊地2022年10月13日 19:56 しかし負荷開放の方形波をよく見ると、寄生発振しているようです。
それでも実際の音には影響なさそうなので、補正についてはこれで良しとしました。
No.279菊地2022年10月13日 19:58 ところが正弦波を入れて出力を上げて行くと、盛大に寄生発振が起きてしまいます。
ボリュームに近いチャンネルの方が発振が強いので、どうやらボリュームを介して信号の飛び付きが
起きているようです。ならばシールドを挟もうと思ったらブリキ板がありません。
そこでイワシの缶詰を買ってきました。中身は晩酌で食べて、フタをシールド板にするとしましょう。
No.280菊地2022年10月13日 20:01 イワシ缶いいですね.. 私は晩酌はしませんが、炊き込みご飯用に鯖缶をストックしてます。
単身生活なので、鯖缶とシメジがあれば簡単にごはんが出来て便利です。
しかし、ARITOさんは凄いなぁ。
No.281めの2022年10月14日 10:13
呼ばれて出てまいりました。
今日は会社の非就業日で副業三昧です。
お昼はソース焼きそばでした。
No.283ARITO@宝塚2022年10月14日 15:39 私の夕食は、昨日余らせたごはんがあるので、玄米チャーハンとみそ汁あたりかと。
No.285めの2022年10月14日 17:57
私は複合管で4台のCSPPアンプを製作していますが、寄生発振は起きていません。
もしかしたら見逃しているのかもしれませんが。
私が製作したCSPPアンプで、菊地さんとの回路の違いは固定バイアスであるか、
OPTの2次側にソベル素子を入れているか位です。
ゾベル素子を入れてみてはいかがですか?変わらないかもしれませんが。
No.286おんにょ2022年10月14日 18:06 そうですね、ゾベル補正を試してみます。10kHzの方形波に寄生した波形が
あの細かさなので、おそらく数百kHzでの発振と思われ、
Cの値も通常に比べて小容量で済むように思います。
で、秋は炊き込みご飯が美味しくなりますね。栗御飯や松茸御飯なども
真空パックのネタを混ぜて炊くと、手軽に出来上がりますね。
No.287菊地2022年10月14日 22:04 その後もいろいろ弄っていたのですが、おんにょさんのセットと比較して
大きく違うのは、初段の利得ではないかと思って実測して見たところ、
接地基準で600倍、G-G間で1200倍の利得を初段だけで稼いでいました。
K170を100kΩ負荷で受ければ大きな利得が稼げるので、
NFも増やせると思ったのですが、それを一段で稼ぐのは無理があったようで、
利得を上げすぎて不安定になってしまったようです。
という事で、初段の石をおんにょさんと同じK117にして利得を下げるか、
あるいはK30にして初段とドライブ段の二段に分けるか思案中です。
No.288菊地2022年10月16日 13:27 FETの共通ソースに抵抗を入れると利得を下げられます。
添付した回路には半固定が入っていますが固定抵抗で良いです。
No.289おんにょ2022年10月16日 17:55 その手がありましたか、しかし平ラグ端子に空きが無いので抵抗が空中配線になってしまいますね。
やはりK117への変更の方がスマートなので、手持ちFETを探索中です。
もしも手持ちが無かったら、ソース抵抗方式にしようと思います。
No.291菊地2022年10月17日 10:48 余計なコメントですが、お気を悪くなさらぬ様に、とかく反論は最初から結果を持って見られがちです、
事実を客観的に解釈する事は重要です。
で、初段の高出力インピーダンスへの積分補正、ここから考え直しては如何でしょう?
まず、補正を全て無にして、実体を認識すべき、っと考えます、
新境地の開発、気持ちはわかりますが、初段での過ちを最後でつじつま合わせ、無理です、
根本から・・・・・
余計なお世話でした、ご容赦。
No.292ポール牧2022年10月17日 15:20 平ラグでしたら1/4Wの抵抗でこんなことができます。
No.293おんにょ2022年10月17日 17:54 >ポール牧さん
そうですね、ご意見ごもっともです。
その補正は寄生発振を確認してから施したのですが、(No.264に当初の回路図を載せています。)
どうも見当外れだったようなので、今は外しています。
何か変更をする時には、余計な要素は排除しておかないと訳が分からなくなりますから。
>おんにょさん
なるほど、いくらでもやりようは有るものですね。
部品箱からK117が十数個出てきたのですが、これらを選別して付け替えるより
ソース抵抗式の方が作業が楽そうなので、まずは抵抗式からやってみるとしましょう。
No.294菊地2022年10月17日 18:04 LTspiceでシミュレーションしたところ、ソース抵抗なしで708倍、22Ωで513倍、
33Ωで452倍、51Ωで377倍となりました。これは片側での利得です。
モデルがテキトウなので参考になりますかどうか。
ps. 1つ忘れていました。5極部ユニットのG1に直列抵抗を入れないと発振します。
17JZ8 CSPPアンプで痛い目にあったので、以降全てのCSPPアンプに入れています。
No.295おんにょ2022年10月17日 20:46 >5極部ユニットのG1に直列抵抗を入れないと発振します。
おっと、それを忘れていました。
さらに、この球は6CW5類似なのでSGにパラ留めも要るのに、何も入れてませんでした。
私もCIRCLOTRONで痛い目に遭ったのに
http://www.asahi-net.or.jp/~CN3H-KKC/claft/6cw5_circl.htm
「のど元過ぎれば熱さ忘れる」でしたね。今日はもう寝ますが、明日試してみます。
No.296菊地2022年10月18日 00:16 ソケット周りは混雑していて、周囲の配線を一旦外さないと
コテ先がソケットに届かないので手間取りましたが、補正無しの状態は以前より良さそうです。
しかし負荷開放では以前同様に発振してしまうので、やはり利得を下げるか
補正を掛けるかのどちらかになり、完成までにはもう一山ありそうです。
一方、やっと天気が回復してきたのでトランスケースの塗装もやりたいし、
ここらで中身を完成させないとオフ会に間に合わなくなりそうです。
No.300菊地2022年10月20日 01:06 菊地さま。
一度、マッキントッシュの歴史を振り返ってみては如何でしょう?
高電圧ドライブからブートストラップの応用へ、
>補正を掛けるかのどちらかになり、完成までにはもう一山ありそうです・・・
適切なブートストラップは、悪くはないと思います、
ポイントのみに集中しないで、全体のバランスを・・・・
問題のある、ポールは外部に放り出す、 独自の巻き線構造の特徴を最大限生かす(当時としては優秀)
No.301ポール牧2022年10月20日 13:27 >高電圧ドライブからブートストラップの応用へ、
このセットは元々は当初紹介したようにブートストラップでドライブしていました。
しかし後に同じ五極管トライブで高電圧ドライブのセットを組んで見たら、
http://www.asahi-net.or.jp/~CN3H-KKC/claft/6bq5cspp.htm
私の駄耳で聞いてもCSPPらしい音の良いセットに仕上がったのです。
で、言うまでもありませんが、このECL805csppアンプも五極管特性のJFETを
カスコード接続でDC的に嵩上げしているので、ドライブ段の出力特性は五極管ドライブになります。
そんな五極管ドライブでブートストラップを掛けると、その効果があり過ぎて
出力段のKNF効果を大きく低下させてしまい、それが音にもはっきりと判るほどです。
そんな訳で、私の結論としては「五極管ドライブではブートストラップを掛けない方が
CSPPらしい音が発揮できる」という事でした。このセットも元はブートストラップを採用して
いたのですが、音質改善を狙って高電圧ドライブに改造したという訳です。
No.302菊地2022年10月20日 21:16 菊地さんの経験結果、
心中お察しいたします、
>そんな訳で、私の結論としては「五極管ドライブではブートストラップを掛けない方が
>CSPPらしい音が発揮できる」という事でした
ブートストラップを掛けない方が、カソード負帰還がかかりますので、音質は明らかに向上しますねえ、
注意点は、その部分のみ結果であり、アンプ全体を考えますと、「木を見て森を見ず」の傾向か・・・?(失礼)
詳細の解説を考慮中であります。
No.303ポール牧2022年10月21日 16:24 皆さんそれぞれ得意の方式がある様ですね、
わたくしは、デリケートで微弱な入力信号を受け止めるには真空管を使用します、
入力素子による影響を信号に与えたくないためです、
高入力インピーダンスと似た所もありますが、素子そのものの純度を考えます、
真空中に電極、電極間容量には気を使う方です、
信号レベルが大きくなったところで、最終段の電力増幅部は、一歩譲ってMos-FETを起用する場合もあります。
ハイブリッドの場合、逆の石(FET等)を信号入力、終段が球、の制作例を多く見かけます、
それぞれ、慣れた方式があるのでしょう。
No.260ポール牧2022年10月9日 13:40 私は初段にJ-FETを使ったアンプをよく作ったりしますが、今は初段に球を使って出力段にV-FETを使ったアンプを製作中です。
以前にここでご紹介したV-FETアンプ↓がすんごく良かったので出力アップのハイブリッド版で追試をしたくなりました。
http://www.aritos-audio-lab.com/2SJ18CIRCLOTRON.pdf
No.262ARITO@宝塚2022年10月10日 21:46 私の製作中のセットも初段に石ですね。複合管の2段だけではゲインが足りないし、
さらにシャーシ上に初段の球を立てる余地もないので、FETの出番となりました。
No.264菊地2022年10月10日 21:57 このアンプは既存の改作で、複合管の組み合わせを図のようにしようと思っています。
以前の配線では高域に寄生発振を起こしてしまうので解決策として考えて見ました。
はたして上手く行きますかどうか、結果を見てのお楽しみですね。
そう言えば、おんにょさんのセットでも同様の事を書いているので、
https://65124258.at.webry.info/202209/article_1.html
まあ、考える事は皆さん同じなんですね。
No.266菊地2022年10月10日 22:52 菊地さん
ユニット入れ替え実験に関する記事はこちらです。
https://onnyo01.hatenablog.com/entry/2022/09/21/170000
6BM8族は3極電圧増幅ユニットと5極電力増幅ユニットの間にシールドが設けられ、
それが5極部のカソードに接続されています。カソードに振幅のあるCSPPアンプ
では3極部に影響し、高域にピークが生じたり発振したりしやすくなるらしい。
No.267おんにょ2022年10月10日 23:13 小生は、SITで低RPのOUTPUT、たとえば橋本の6C33C用、イントラは橋本の64倍あたりをチョイスして単段シングルアンプをやってみたいです。でもSITってお高いですよね。データー載ってないし、失敗したらたいへんだしでやれてません。
ノルマやってるうちに、お陀仏になりそうだし、PX25、4B20、P250Aは実験済なので、こしらえるだけ。しかし、なかなかはかどりません。
No.268ひでほ2022年10月10日 23:29
う~ん、残念ながらあまり違いがないようですが、拙の改造アンプの配線は
ほとんど終わっているので、このまま進めていこうと思います。
ところでブログ閉鎖のアナウンスが出てたので、いずれ引っ越すだろうと思っていましたが、
既に引っ越しをされていたのですね。ブラウザーのお気に入りを変更しておきました。
No.269菊地2022年10月11日 11:27 プラン、
【1】6DJ8×6、
【2】6DJ8×4、+12BH7A×2、
【3】6DJ8×4、+Mos-FET/SEPP(コンプリ)
半導体が入るとデザインが難しい、放熱器は作るか? アルミ削り出し、もしくはプレス加工、
図体な大きなものや重量物は家内に見つかると、大目玉、倉庫にはまだ未処分が大量に・・・・
(
No.271ポール牧2022年10月11日 14:41 No.270 削除出来ない? 管理人さんよろしくお願いいたします。
No.272ポール牧2022年10月11日 14:49 本人の希望によりNo.270を削除しました
No.273めの@管理者2022年10月11日 14:56
お世話になりました、レスポンス早いですねえ、感心しました。
No.274ポール牧2022年10月11日 15:00 管理者の所には投稿のメールが届きますので.. 偶々気が付きました。
No.275めの@管理者2022年10月11日 15:03
出力部分を、球にしろMos-FETにしろ、電圧部分は6DJ8、二段増幅を予定しております、
高ゲインと高カットオフ周波数の両立が必要です、
なお、最初から補正の容量は想定しておりません。(図面にも記入しない)
No.276ポール牧2022年10月13日 19:10 昨日の関東地方は雨で、さらに本当に寒かったので、寒露というより氷雨の一日でした。
今日は少しはマシで薄い曇り空でしたが、やはり寒かったです。
http://koyomigyouji.com/24-kanro.html
雨の前には金木犀が良い芳香を放っていたのですが、雨で散ってしまったようです。
写真はその時の曇天の薄暗い夕方だったので、ブレブレの絵でご容赦です。
菊池さま
夏から冬のような気温
電気毛布だしました。
体調くずして、ねてばかりいます。
皆さまご自愛ください。
No.258ひでほ2022年10月8日 19:48
今朝の北海道は最低気温が4℃、半袖では少し寒く感じました。
そこで一句
「やせ我慢 負けるな自分 これにあり」
失礼しました。
No.261klmnji2022年10月9日 19:53
歳をとってくると、やせ我慢が辛くなってきますね。
さっさとセーターを着込んで、夜は厚手の布団を掛けて寝ています。
さらに足が冷たくて目が覚めて、靴下を履いて寝ている始末です。
体が暑さに馴染んでいて、気温以上に寒さを感じてしまう今日この頃ですぅー。
No.265菊地2022年10月10日 22:17 ヘッドホンアンプの初段差動増幅に用いていた2N7002DWを
たまたま見つけたトレンチ構造(溝掘りチャネル)のNexperia製NX6008NBKSに換えた処
残留雑音(A補正)を30μVから15μVに低下できました。
ここまで低雑音になるとJFETに遜色ありません。
2N7002DWは旧来通りのプレーナ構造でSi表面の横方向にチャネルが形成されます。
NX6008NBKSはトレンチ構造でSi内に溝を掘り、溝に添って縦方向にチャネルが形成されます。
従来MOSFETの高雑音はSi界面にチャネルがある為と言われていますので、
Si内部にチャネルが形成されるトレンチ構造MOSFETは低雑音になるのでしょうか?
NX6008NBKSのデーターシート
https://www.nexperia.com/products/mosfets/small-signal-mosfets/NX6008NBKS.html
ゲルマニュームの時代には「アロイは音が悪く、メサは音が良い」なんて言われてましたが、
構造によって特性が違うのは、シリコンになっても同じなのかも知れませんね。
ただバイポーラの場合は「エピタキシャル」とか「プレーナー」なんて誰も気にしないのですが、
FETの場合は特性の違いが大きく、「初段はJFETの一択」だったので、
そのFETの入手性が良ければ、皆さんにとっても朗報だと思います。
Mouserの通販で購入しました。
@57円、100個購入なら@25円です。
海外からの通販なので到着に5日程かかりますし、
6000円以下の購入だとUPS国際便の送料がかかってしまいます。
国内ですとマルツオンラインで購入できますが倍くらい高いです。
とはいえ、半導体の新製品は表面実装で米粒みたいに小さいので使い易くはありません。
>米粒みたいに小さいので使い易くはありません。
実物を持ってないので妄想するだけですが、蛇の目基板の6個の穴に
それぞれ錫メッキ線を取り付けて、1センチほど出して五徳のように
接点を並べれば、極小部品の取り付けが楽になるのではと考えています。
私の場合、今はJFETの在庫がありますが、いずれ半導体の足は無くなるので、
自作時の対処法を考えておくのも無駄ではないと思います。
No.263菊地2022年10月10日 21:48 Facebook、三日で飽きました、それでアカウントを削除、
これが意外と面倒、入り易いが出難い、自由にならないモノには用心です。
&t=2s
No.251ポール牧2022年10月4日 21:05 ポール牧さま
FBもLINEも危険といえば危険すぎです。
そもそもサーバーがあそこの国にあることが危険すぎですし、情報ばんばん抜き取られて個人情報なんてあってないようなものです。
No.252ひでほ2022年10月4日 22:34
ひでほさま
一応本名では無く、FB名でした、投稿内容は表示無としましたが、アカウント消えません、
登録を消去、面倒にしてあります、ズルいなあ~、
No.253ポール牧2022年10月7日 16:47 ポール牧さま
小生はFBでは本名です。
ただ、自分の投稿はお友達以外は見えないように設定しています。
やけのやんぱち。
FBでもいいたいことばんばん言っています。
No.257ひでほ2022年10月8日 19:46
殆どの時間は、PC前の万年床で過ごしております、
したがってプランだけは、頭の中でグルグル回っております、で、
PC用と言えども中華アンプはやはり却下です。
ふと思いついたのが、ミニワット、プリメインアンプ、(高速・高帰還)
使用真空管は6DJ8×6本、チャンネル当たり3本(出力菅を含む)
高ゲイン、高カットオフ周波数、半導体は電源整流のみ、高精度トーンコントロール含む、
プランのみで終わるか・・・・ ?
No.242ポール牧2022年10月2日 14:13 ポール牧さま
わたしも横になってばかりです。
2F占有し仏間で寝ていて、そこもHPアンプとICレコーダーとHPやらここ最近のMJとかで埋め尽くされてきています。
なので、ぐるぐると妄想がとても良くわかります。
期待しています。
いっそ、SP内蔵させ、切り替えSWで後ろにターミナルもだすなんてアイデアどうですか?
実は14GW8Sで1台やったことがあり、けっこういけました。
No.243ひでほ2022年10月2日 21:15
ひでほさま。
わたくしも終活に苦労しております、購入時はやる気満々でしたが、いざ処分となると大変です、
特に重量物には悩んでしまいます、ある程度は選別しても最後は見なかった事にしよう、と、
廃棄処分です、これにも費用がかかります、お宝だった物がゴミへと変身いたします。
No.244ポール牧2022年10月3日 13:57 まだ元気なうちに、必要としておられる方に使って貰うのが一番ですね。 具体的にはヤフオク等に
なるのかもしれませんが... 変な欲を出さないのが肝要かも。
No.245めの2022年10月3日 15:37
皆さん、まだまだ自分は大丈夫! 高を括っていると、ある程度の年齢になると何が起きるか解りません、
わたくしの場合、病は不意に訪れました、健康な内に頻繁に検査をお勧めします。
音がどうのこうの言ってる割には、万年床とミニスピーカーです、バスレフの穴は塞いであります、
これでも、YOU TUBEの空気録音なんか、適格に聞き分けます、硬質系の音質ですが過度特性は優秀です、
ダンパーはジョーダンワッツやフェランティと同等の三点支持、
ヤフオクでセットで八千円余り、上出来です、このSP、開発時より知っておりました。
No.247ポール牧2022年10月3日 16:11 新しくなって初めて投稿します。
思い切って4月にオーディオの部品やら何やら全部処分しました。記念に発振器とミリバル、オシロだけ残してたまに波形を見ています。
制作しようにも細かいところが見えなくなりましたので仕方ないですね。
そのせいでピアノやらフルートやら暫く触っていなかった楽器を練習しています。
No.248いなの@熊本2022年10月3日 19:36
まずは観なくなったAV系から処分しないと、死んだあとはずかしいです。
そしてコレクションのPCが山、はじめてのVGAマシンやらマイクロチャネルの鯖やら鈴木亜久里のDynabook,Xeon、P3のDualやら、PDA、100台以上。
そしてアンプはと思いきや、増殖してまたまたアンプ製作ちゅうです。
ありとさんの回路の真似プラスCK1006整流、プラスαです。
小生は認知の母と2人くらし。認知の母には後見、保証会社とかつける予定ですが、死んだあとのことなんて考えたくもないですね。
No.249ひでほ2022年10月3日 22:56
ひでほさま、 思わず吹き出しそうになります「プッ!」
>まずは観なくなったAV系から処分しないと、死んだあとはずかしいです
そうですよねえ~、しかし如何な趣味かは興味あります、(妄想)
No.250ポール牧2022年10月4日 17:58